首 页
|
关于我们
|
产品与服务
|
企业认证
|
走进startwin
|
最新消息
|
人力资源
|
联系我们
语言选择
中文版本
ENGLISH
ITALIA
产品与服务
风压(微压)传感器
微压差控制器
压差控制器
小型微动开关
大型微动开关
船型开关
电动工具开关
按钮/轻触开关
保险丝座
产品搜索
产品分类:
请选择产品分类
风压(微压)传感器
微压差控制器
压差控制器
小型微动开关
大型微动开关
船型开关
电动工具开关
按钮/轻触开关
保险丝座
关键词:
首 页
>>
产品与服务
>>
大型微动开关
产品名称:
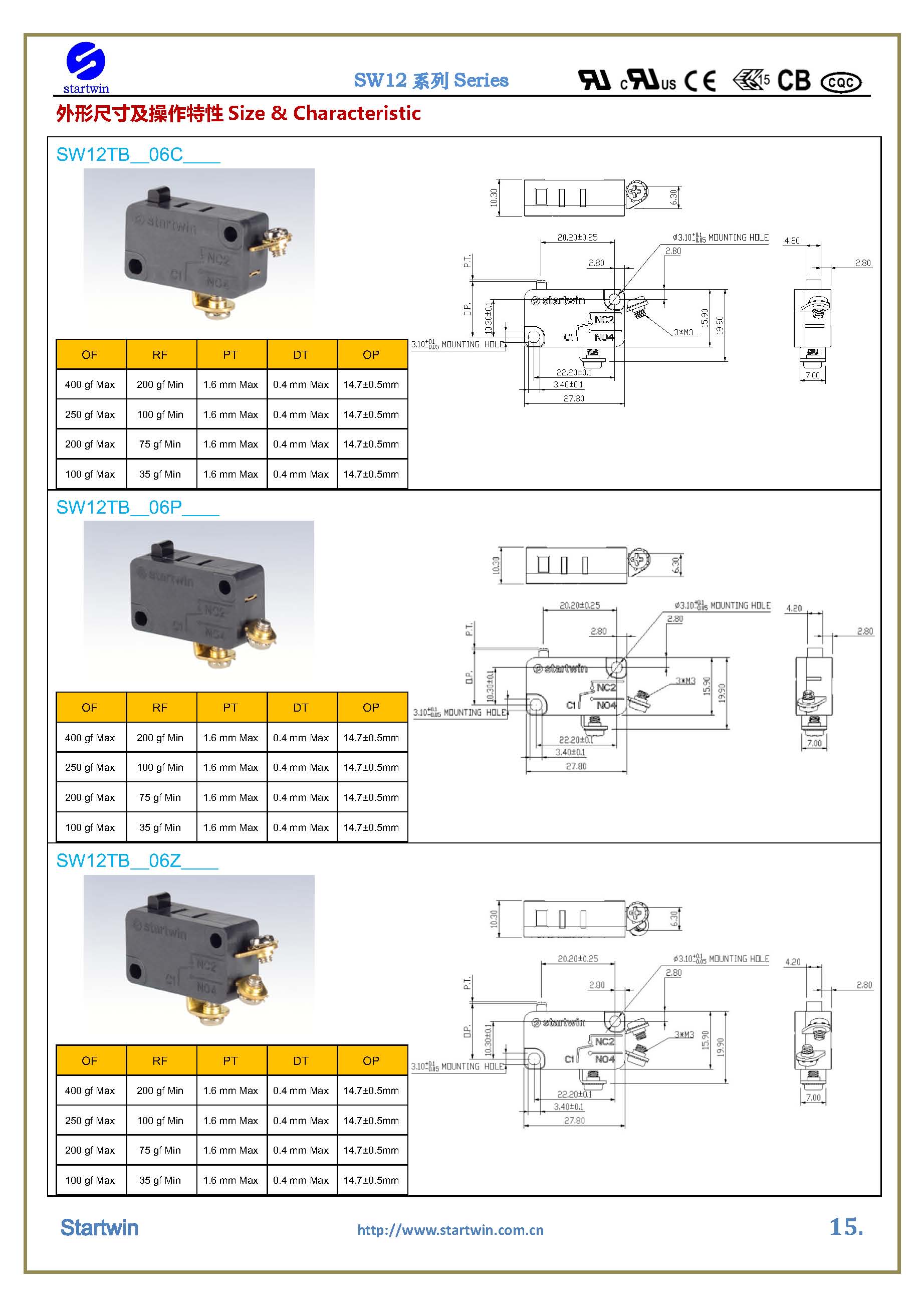
SW12TB-06C.P.Z- 系列微动开关
产品型号:SW12TB-06C.P.Z- Series Micro Switch
产品类别:
大型微动开关
产品详情:
参(Rating):16A/22A/26A/30A250VAC/125VAC
作动力(OF):100gf-400gf Max
回复力(RF):35gf-200gf min
差程(DT):0.4mm MAX
详细说明
产品参数
返回 >>
Keywords:
小型微动开关
小型微动开关